유해물질 평가
중금속, 미세플라스틱, 유기화합물 등 유해물질을 정확하게 분석하여 제품의 안전성을 평가합니다.
시험 방법별 상세 정보
중금속 11종 외 유해물질 평가
EN 13432:2000 등
시험 조건
- •제품규격에 따른 중금속 11종 시험
- •Pb, Cd, Cr, Cu, As, Ni, Zn, Co, Mo, Se, Hg
- •총 불소(F) 함유량 평가
주요 제품
생분해성 포장재, 퇴비화 가능 제품, 유기농업용 제품



[생분해성 수지 중 마이크로웨이브 전처리 장비에 의한 분해]


[생분해성 수지 중 ICP-OES 및 FIMS에 의한 중금속 측정]
프탈레이트 분석
KS M 1991:2016, KS F ISO 4484-2 등
시험 조건
- •플라스틱 제품에 대한 유해물질 평가
- •프탈레이트 가소제 분석
주요 제품
플라스틱 포장재, 장난감, 생활용품, 건축자재
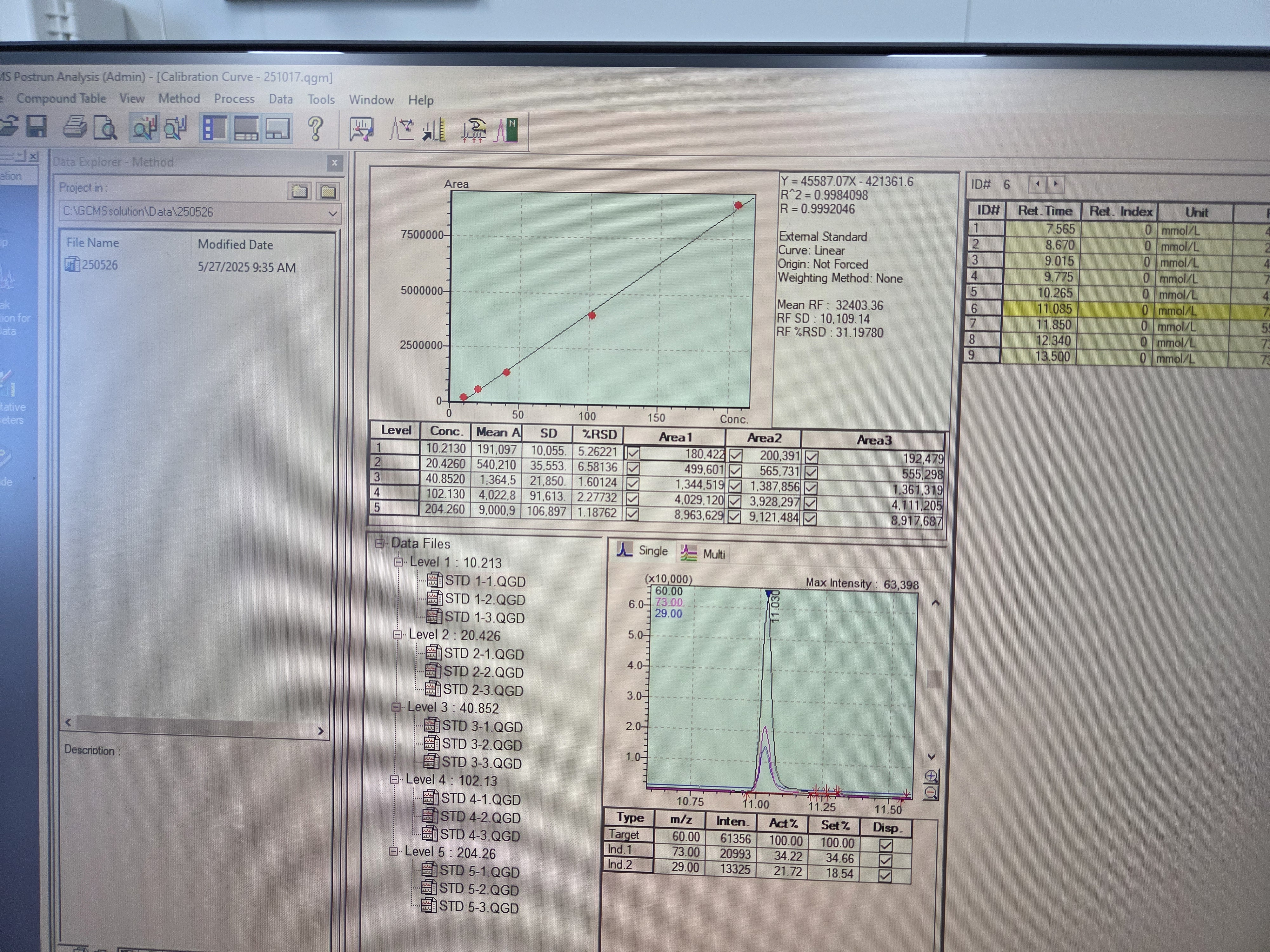
1. 시료 무게 측정

2. 초음파 추출

3. 여과

4. 내부표준물질 첨가

5. GC/MS 분석

6. 결과

기타 유해화합물 분석평가
유기화합물 및 각종 중금속 분석
시험 조건
- •휘발성 지방산 및 유기화합물 분석
- •수은 등 중금속 미량 측정 평가
- •다양한 유해화합물 동시 분석
주요 제품
화학제품, 의료기기, 식품포장재, 전자제품





주요 특징
분석 대상
- 중금속 10종 (납, 카드뮴, 수은 등)
- 프탈레이트 및 가소제
- 미세플라스틱 및 유기화합물
적용 분야
- 제품 안전성 인증
- 환경 규제 준수
- 품질 관리 및 모니터링
